Bestil eller hør mere på tlf.: 8672 2288 eller mail: post@lifterdanmark.dk
Tryk på printeren for at printe siden →


Truckkran -
Art.nr. |
46008 |
|
Dimension gaffelåbning mm |
180x60 |
|
Længde sammenfoldet mm |
2108 |
|
Længde udtrukket mm |
3500 |
|
Totalbredde mm |
460 |
|
Totalhøjde |
324 |
|
Egenvægt kg |
137 |
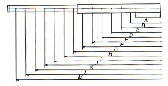
Belastning afhængig af udtrækslængden
Forvandler trucken til en mobil løftekran på
få sekunder.Udrustet med lås for gafler og
spærrehåndtag for bedste sikkerhed.
|
Model |
46008 |
||||||||||||
|
Position |
A |
B |
C |
D |
E |
F |
G |
H |
I |
J |
K |
L |
M |
|
|
755 |
985 |
1215 |
1445 |
1875 |
1905 |
2125 |
2355 |
2580 |
2810 |
30440 |
3270 |
3500 |
|
Kapacitet kg |
3000 |
2300 |
1865 |
1570 |
1355 |
1190 |
1065 |
960 |
875 |
805 |
745 |
690 |
640 |
| Pallevogne - kvalitet |
| Billige pallevogne |
| Specielle pallevogne |
| Butikpallevogne |
| Palleløfter guide |
| Pallevognshjul |
| Tilbehør pallevogne |
| Palleløfter LDLW22 |
| Palleløfter LDAM2200 |
| Standard pallevogn |
| Let palleløfter |
| Pallevogn quick løft |
| Palleløfter med opstartshjælp |
| Lang pallevogn |
| 3000 kg pallevogn |
| Pallevogn lave gafler |
| Vejepallevogn |
| Rustfri pallevogn |
| Butikspallevogn |
| Elektrisk sakseløftevogn. |
| Sakseløfter højt skjold |
| Saksevogn automatisk quickløft |
| Rustfri sakseløfter |
| Selvkørende pallevogne |
| EL-pallevogn |
| Ladere til stablere |
| Batterier til stablere |
| Stabler 2500 mm |
| Stabler quick løft |
| Skubbestablere |
| Stabler med sidetilt |
| Selvkørende stabler enkeltmastet |
| Selvkørende stabler 3200 mm |
| Selvkørende stabler 2900 mm |
| Ministabler 150 kg |
| Ministabler 100 og 150 kg |
| Stabler til halvpaller |
| Aluminiumssækkevogn |
| Let sækkevogn |
| Trappesækkevogne |
| Trappesækkevogn |
| Kraftige stålsækkevogne |
| Kraftig sækkevogn 350 kg |
| Kombisækkevogn |
| Kombivogn Alu |
| Tøndevogn |
| Distributionsvogn |
| Fejevogn |
| Maskinskøjter |
| Møbeltransportør |
| Nøgleskabe |
| Små stålskabe med lås |
| Arkivvogn - mappevogn |
| Standard arbejdsbord |
| Kraftigt arbejdsbord |
| Arbejdsbord med skuffer |
| Komplet pakkebord |
| Palleben - Pallebord |
| Værktøjsskab på hjul |
| Værkstedsskab med skrivepult |
| Værktøjsvogn med tavler |
| Stålskab |
| Stålskabe lav model |
| Værktøjsskab |
| Stålskab med skuffer |
| Terminalskab |
| Omklædningsskabe |
| Små opbevaringsskabe |
| Klædeskabe |
| 2 delte klædeskabe |
| Reol universal |
| dækreoler |
| Stålreol |
| LEO Stålreoler |
| Reoler med små plastkasser |
| Tilbehør værktøjstavler 1 |
| Tilbehør værktøjstavler 2 |
| Tilbehør værktøjstavler 3 |
| Værktøjspanel |
| Rullevogne |
| Rulleborde |
| Trolleyer |
| Værktøjscontainer |
| Værktøjsvogn med bord |
| Tøndelift hydraulisk |
| Tøndestabler |
| Drypbassin CIPAX |
| Spildbakke med hjul |
| Spildbassin |
| Spildbakke med gelænder |
| Spildbakke for liggende tønder |
| Lukket spildbakke |
| Spildbassin Åben |
| Tipcontainer |
| Tipcontainer plant låg |
| Vippecontainer med højt låg |
| Bundtømt tipcontainer |
| Tipcontainer lav model |
| Sneskraber |
| Sandskraber og sneskraber |
| Saltspredere |
| Gaffelforlængere |
| Afskærmning |
| Løfteblok til truck |
| Truckdonkraft tandhjul |
| Hydraulisk truckdonkraft |
| Donkrafte hydraulisk universelle |
| Hydrauliske saksedonkrafte |
| Truckkran |
| Truckkran lige |
| Balancekran |
| Værkstedskraner |
| Rullebaner fleksible |
| løbehjul |
| Elektrisk saksebord mobilt |
| Saksevogn dobbeltsaks |
| Saksevogn enkelt saks |
| Løftebord med spindel |
| lavprofil saksebord |